Left Brake Lights Don't Work .   the most common reason for brake lights not turning off is a faulty brake light switch.  there are a number of reasons why your brakes lights won’t turn off or on.   emergency flashers have a socket or lamp issue. To fix this issue, you’ll need to replace the switch. Some of the most common reasons that your brake lights are out or malfunctioning include:.   if all of your brake lights aren't illuminating, even a third light that appears higher up on your vehicle, you have a problem that must be resolved.
        
         
         
        from www.2carpros.com 
     
        
          the most common reason for brake lights not turning off is a faulty brake light switch. Some of the most common reasons that your brake lights are out or malfunctioning include:.  there are a number of reasons why your brakes lights won’t turn off or on.   emergency flashers have a socket or lamp issue. To fix this issue, you’ll need to replace the switch.   if all of your brake lights aren't illuminating, even a third light that appears higher up on your vehicle, you have a problem that must be resolved.
    
    	
            
	
		 
	 
         
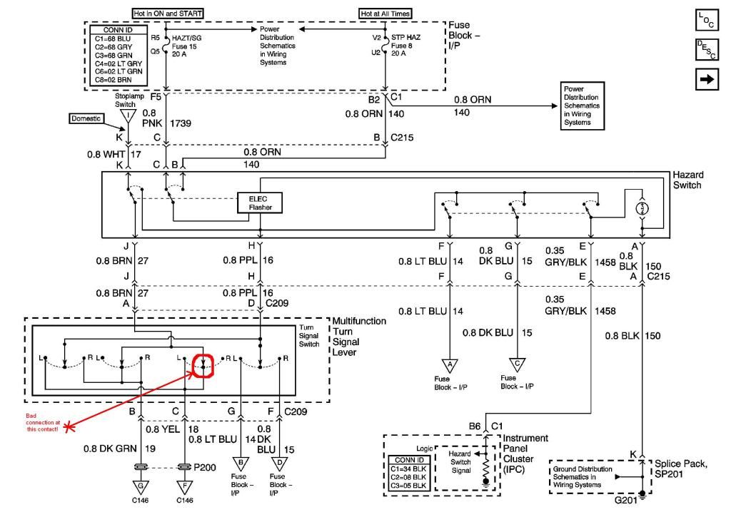
    The Right Brake Light Not Working, Left Brake Light Only Comes on 
    Left Brake Lights Don't Work    the most common reason for brake lights not turning off is a faulty brake light switch.   if all of your brake lights aren't illuminating, even a third light that appears higher up on your vehicle, you have a problem that must be resolved. Some of the most common reasons that your brake lights are out or malfunctioning include:.  there are a number of reasons why your brakes lights won’t turn off or on.   the most common reason for brake lights not turning off is a faulty brake light switch.   emergency flashers have a socket or lamp issue. To fix this issue, you’ll need to replace the switch.
            
	
		 
	 
         
 
    
         
        From exotucqoq.blob.core.windows.net 
                    Brake Lights That Don't Work at Colleen Hungerford blog Left Brake Lights Don't Work    emergency flashers have a socket or lamp issue.   if all of your brake lights aren't illuminating, even a third light that appears higher up on your vehicle, you have a problem that must be resolved.  there are a number of reasons why your brakes lights won’t turn off or on. To fix this issue, you’ll need to. Left Brake Lights Don't Work.
     
    
         
        From exopgksfi.blob.core.windows.net 
                    My Brake Lights Aren't Working at Walter Shand blog Left Brake Lights Don't Work  To fix this issue, you’ll need to replace the switch.   emergency flashers have a socket or lamp issue.   the most common reason for brake lights not turning off is a faulty brake light switch. Some of the most common reasons that your brake lights are out or malfunctioning include:.  there are a number of reasons why your. Left Brake Lights Don't Work.
     
    
         
        From www.youtube.com 
                    Trailer Brake Lights or Turn Signals NOT Working TRY THIS YouTube Left Brake Lights Don't Work  Some of the most common reasons that your brake lights are out or malfunctioning include:.   if all of your brake lights aren't illuminating, even a third light that appears higher up on your vehicle, you have a problem that must be resolved.   the most common reason for brake lights not turning off is a faulty brake light switch.. Left Brake Lights Don't Work.
     
    
         
        From www.justanswer.com 
                    My headlights don't work, brake lights don't work, tail lights do work Left Brake Lights Don't Work    if all of your brake lights aren't illuminating, even a third light that appears higher up on your vehicle, you have a problem that must be resolved. To fix this issue, you’ll need to replace the switch.  there are a number of reasons why your brakes lights won’t turn off or on.   emergency flashers have a socket. Left Brake Lights Don't Work.
     
    
         
        From autovehicleparts.com 
                    Do Your brake lights don't work when headlights are on? Left Brake Lights Don't Work   there are a number of reasons why your brakes lights won’t turn off or on.   emergency flashers have a socket or lamp issue.   the most common reason for brake lights not turning off is a faulty brake light switch.   if all of your brake lights aren't illuminating, even a third light that appears higher up on. Left Brake Lights Don't Work.
     
    
         
        From humblemechanic.com 
                    Why My Turn Signals Don’t Work Diagnosis Humble Mechanic Left Brake Lights Don't Work    emergency flashers have a socket or lamp issue. Some of the most common reasons that your brake lights are out or malfunctioning include:.  there are a number of reasons why your brakes lights won’t turn off or on.   the most common reason for brake lights not turning off is a faulty brake light switch. To fix this. Left Brake Lights Don't Work.
     
    
         
        From www.youtube.com 
                    WHY BRAKE LIGHTS DO NOT WORK ON FORD. STOP LIGHTS NOT WORKING FIX YouTube Left Brake Lights Don't Work    emergency flashers have a socket or lamp issue.   if all of your brake lights aren't illuminating, even a third light that appears higher up on your vehicle, you have a problem that must be resolved.   the most common reason for brake lights not turning off is a faulty brake light switch.  there are a number of. Left Brake Lights Don't Work.
     
    
         
        From www.corvetteforum.com 
                    Left side rear brake lights dont work, blinkers work fine!! Driving me Left Brake Lights Don't Work    emergency flashers have a socket or lamp issue.  there are a number of reasons why your brakes lights won’t turn off or on.   the most common reason for brake lights not turning off is a faulty brake light switch. Some of the most common reasons that your brake lights are out or malfunctioning include:.   if all. Left Brake Lights Don't Work.
     
    
         
        From www.justanswer.com 
                    My left turn signa or brake light dont work, 30 days the frount work Left Brake Lights Don't Work   there are a number of reasons why your brakes lights won’t turn off or on. Some of the most common reasons that your brake lights are out or malfunctioning include:.   emergency flashers have a socket or lamp issue.   the most common reason for brake lights not turning off is a faulty brake light switch. To fix this. Left Brake Lights Don't Work.
     
    
         
        From www.2carpros.com 
                    Brake Lights Not Working Properly My Brakes Lights Do Not Work if... Left Brake Lights Don't Work   there are a number of reasons why your brakes lights won’t turn off or on.   the most common reason for brake lights not turning off is a faulty brake light switch.   emergency flashers have a socket or lamp issue.   if all of your brake lights aren't illuminating, even a third light that appears higher up on. Left Brake Lights Don't Work.
     
    
         
        From napacarcare.com 
                    Brake Lights Not Working 4 Common Causes & How To Fix Left Brake Lights Don't Work   there are a number of reasons why your brakes lights won’t turn off or on.   emergency flashers have a socket or lamp issue. To fix this issue, you’ll need to replace the switch. Some of the most common reasons that your brake lights are out or malfunctioning include:.   if all of your brake lights aren't illuminating, even. Left Brake Lights Don't Work.
     
    
         
        From www.autostore.pk 
                    5 Common Causes and Diagnosis Why Brake Lights Not Working Left Brake Lights Don't Work    emergency flashers have a socket or lamp issue.   if all of your brake lights aren't illuminating, even a third light that appears higher up on your vehicle, you have a problem that must be resolved.   the most common reason for brake lights not turning off is a faulty brake light switch. Some of the most common reasons. Left Brake Lights Don't Work.
     
    
         
        From www.justanswer.com 
                    My left turn signa or brake light dont work, 30 days the frount work Left Brake Lights Don't Work   there are a number of reasons why your brakes lights won’t turn off or on. To fix this issue, you’ll need to replace the switch.   the most common reason for brake lights not turning off is a faulty brake light switch.   emergency flashers have a socket or lamp issue.   if all of your brake lights aren't. Left Brake Lights Don't Work.
     
    
         
        From honda-tech.com 
                    Brake lights don't work wiring and fuse issues HondaTech Honda Left Brake Lights Don't Work    if all of your brake lights aren't illuminating, even a third light that appears higher up on your vehicle, you have a problem that must be resolved.   emergency flashers have a socket or lamp issue.   the most common reason for brake lights not turning off is a faulty brake light switch. Some of the most common reasons. Left Brake Lights Don't Work.
     
    
         
        From www.2carpros.com 
                    Brake Light & Turn Signal Dont Work My Left Rear Brake Light Left Brake Lights Don't Work  To fix this issue, you’ll need to replace the switch.   if all of your brake lights aren't illuminating, even a third light that appears higher up on your vehicle, you have a problem that must be resolved.  there are a number of reasons why your brakes lights won’t turn off or on.   the most common reason for. Left Brake Lights Don't Work.
     
    
         
        From www.2carpros.com 
                    The Right Brake Light Not Working, Left Brake Light Only Comes on Left Brake Lights Don't Work  Some of the most common reasons that your brake lights are out or malfunctioning include:.   if all of your brake lights aren't illuminating, even a third light that appears higher up on your vehicle, you have a problem that must be resolved.   the most common reason for brake lights not turning off is a faulty brake light switch.. Left Brake Lights Don't Work.
     
    
         
        From thegrumpymechanic.com 
                    Reasons Why your Brake Lights Don’t Work When Headlights Are On Left Brake Lights Don't Work  Some of the most common reasons that your brake lights are out or malfunctioning include:.   if all of your brake lights aren't illuminating, even a third light that appears higher up on your vehicle, you have a problem that must be resolved.  there are a number of reasons why your brakes lights won’t turn off or on. . Left Brake Lights Don't Work.
     
    
         
        From www.reddit.com 
                    So my brake lights dont seem to work anymore, well not like they use to Left Brake Lights Don't Work    the most common reason for brake lights not turning off is a faulty brake light switch.   emergency flashers have a socket or lamp issue.  there are a number of reasons why your brakes lights won’t turn off or on.   if all of your brake lights aren't illuminating, even a third light that appears higher up on. Left Brake Lights Don't Work.